開発試作用部品−01
- 依頼内容
- 底のRは最小Rにして加工して欲しいとの依頼
- 問題点
-
- 他の加工部分でも難しいところはあったのだが、3方よりの交差点になる場所はどうしてもRの形が残り、形もきたない
- 切欠け深さも30mmあるのでエンドミル径もあまり小さなものが使えない
- 客先と打合せを行い、R方向や刃物について協議した結果、多少の不備はやむなしとの結論にいたるが・・・
- 解決策
-
- 組図を見ていただき、この箇所に穴があれば機能上、外観上問題が無いか確認のうえ、三方向の交差点に穴を明けてRを消すことを提案
- 問題が無かったので掘込などが未加工のときに、上面より見てX、Yの交差点に最小径の穴を明けるように決定(ドリル径は切りかけ掘込時、使用するエンドミル径によって判断)
- 結果
-
- 加工上かなりのコストダウンを実現し、見た目もすっきりした
- また切欠けの三隅の実質上の直角も確保
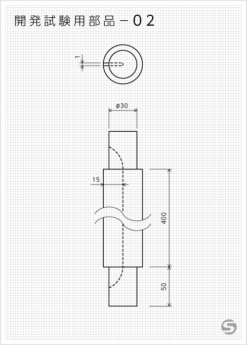
開発試作用部品−02
- 依頼内容
-
- 図の様に深さ15mmで巾1mm長さ400mmの溝を入れて欲しいとの依頼
- 溝巾は変更できない
- 溝は左右貫通できない
- 問題点
-
- 溝巾が薄い(1mm)、溝深さが深い(15mm)、また溝が左右に貫通していないので最初に溝深さを15mm迄加工する時に、かなり困難ではないかと思われた
- 事実加工してみると、刃物がすぐに破損して一時は途方に暮れた
- 解決策
-
- 取り付け用治具製作
- 工具メーカー2社の技術者と電話をしてヒアリング後、使用工具のメーカー、適正な回転数、切り込み量、送り速度、加工可能m数を決定
- 最初の加工側面より中心へ15mmの深さに切り込むにあたって、当社規定を設定
切り込み深さ(mm) 0〜6.0 6.0〜11.0 11.0〜13.5 13.5〜15.0 1回転当たりの
切り込み量(mm)0.05 0.025 0.01 0.005 - 長さ方向への加工は、深さ0〜5m/m、5〜10m/m、10〜15m/mの三段階で加工
- 使用工具耐用m数の70%にて使用停止、再研磨依頼
- 切削油、噴射の位置、勢い、切粉の除去に注意した
- 結果
- 加工後、客先には好評を得た
- 追記
- 加工はできたが、コスト的にはクリアしたとは言いがたく、特に当社社内規定が確立するまでにかなりの工具を破損してしまった。努力の余地はまだあると反省
開発試作用部品−03
開発試作用部品−04
-


-
【製品概要】 寸法 30×37×90 材質 SCM415 数量 80 受注形態 繰り返し品 備考 試作終了後 繰り返し品に移行しました
- 依頼内容
-
- 何社か加工依頼をしたが断られた
- 予算提示あり
- 問題点
- 最終焼き入れ工程もあるので治具製作、ワイヤーカット加工に頼りたいのだが、時間、コストともにかかってしまう
- 解決策
-
- 納期、コストも考えて合わせ、機械加工にて加工するように方針を立てる
- 治具製作の方針を立てる
- 全加工を機械加工にて加工できる治具
- ネジ締めの取り付けではなく、製品と治具を同時にバイスでチャッキングできる治具
- 治具チャッキング後重切削できる治具
- 上記の治具制作及び使用を可能、有効にする為の工法を開発(A. 対応)
- また仕掛り段階で、仮想形状を想定し、仮想形状制作の後、重切削し、最終段階で図面通りの製品にした(B. C. 対応)
- 結果
- 製作、コストダウンともに良好
開発試作用部品−05
- 依頼内容
-
- イオン窒化処理後、(A)、(B) のネジの干合が1級程度
- (A) と (B) 千合後の直角度0.01mm、(B) の振れ0.01mm
- どの業者もできないので是非加工して欲しいとの依頼
- 問題点
-
- まったく無理ではないかと思った
- 経験ではイオン窒化処理は処理後、変数変形してしまい、またその変化の程度に法則は無く、変数変形の程度が予測できなかった
- 解決策
-
- (A)、(B) 共に荒加工後、焼鈍を行った
- ネジのしっくり度の程度の認識の客先との共通化を図った
- イオン窒化処理業者と相談、研究後、処理層、深さ、硬度を保ちつつ、変数変形の少ない条件を探した
- 条件
-
- 処理温度
- 最高温度の設定と最高温度の処理時間の長さを設定
- 処理開始より最高温度到達までの時間を設定
- 最高温度より常温に戻すまでの時間を設定
- ワークの置き方
- 重ね合わせない
- 底面に直接接面させない
- シャフトは横にしない
- 混合機の状況
- 規定の混合機の比率が大きく逸脱しないように管理する
- 途中で混合気を入れる時、急激に入れて温度を変化させない
- 処理温度
- 結果
- 一度でクリアはできなかったが、何度目か以降では予想以上の良好な結果がでた



